產品名稱:廈門ST550BL-重量變送儀表
技術參數
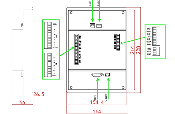
外形尺寸
特點及應用
相關案例
相關下載
工作電源 | DC18~36V標配,AC85~265V(50/60Hz)可選 功率約8W |
稱重處理 | AD采樣方法:Delta-Sigma方法 AD采樣速率:100次/秒 內部分辨率:1/260000 顯示分辨率:1/50000 非線性:0.005%F.S. |
稱重接口 | 輸入靈敏度:≥0.25uV/d 輸入信號范圍:-30.5~30.5mV 零點信號范圍:-30.5~30.5mV 傳感器激勵電壓:10V±1% 驅動能力:可驅動4支350Ω的傳感器 |
開關量接口 | 輸入2個,均可自定義 |
通訊 | PROFINET IO協議 PLC更新速率:40次/秒 通訊波特率:10M/100M自適應 |
其它 | 安裝方式:面板式安裝(防護等級:IP65) 重量:約0.65kg 使用環境溫度:-10~45℃ 相對濕度:10~90%,無冷凝 顯示:6位高亮度紅色數碼管(字高13mm) 指示燈:5個 按鍵:6個 |
| 7英寸TFT液晶顯示,LED背光 | 真彩,65535色,800*480分辨率 |
| 高精度,支持100,000顯示分度 | 順序控制預置點 |
| 高速檢重分選功能 | 重量觸發檢重 |
| 光電開關觸發檢重 | 上百種配方存儲,支持U盤導入/導出 |
| 1路RS232/485串行通訊接口 | MODBUS-RTU |
| 1主1從USB口 | RJ45以太網口 |
| 支持8輸入/輸出,可配置 | 不銹鋼外殼 |
| 表頭支架安裝(可選 | 灌裝專用 |
| 多個輸出點同時灌裝 | 灌裝數據存儲、打印 |
| 配料專用 | 多種物料配料,可存儲上百種配方 |
| 配料記錄存儲、打印 | 檢重分選 |
| 高速動態檢重 | 檢重結果分選、存儲、打印 |
| 包裝散料 | 單速/雙速控制 |
| 提前量修正 | 包數/重量累計 |
| 數據存儲、打印 |

儀表使用注意事項
儀表的使用溫度范圍為:-10~45℃,請避免將儀表安裝在陽光直射的場所,安裝在溫度較低的場所請注保溫,且不要將儀表斷電,因儀表內部可能會形成冷凝。
儀表對防水防塵等級是有要求的,當安裝于配電箱時,使儀表滿足相應的防水防塵等級,對于一些帶電的粉塵(例如碳粉)、易結塊的粉塵(例如水泥、粉煤灰等)、潮濕(例如海邊)、有腐蝕性氣體(例如HF氣體)時要尤其注意。
防雷擊:電子衡器屬于弱電系統,容易受到雷電的襲擊而損壞部件。雷擊主要從兩個方面進入儀表,由電源線導入和由秤臺經信號電纜導入。在正常天氣下,操作人員只要關閉電源開關即可,但在打雷較為嚴重的地區或打雷距離比較近時,要暫停使用,且須拔下儀表電源插頭及秤臺信號電纜插頭(在空曠的室外要特別注意)。
確保儀表單獨接地,接地有雙重作用,它既保護操作人員人身安危,同時也具有抗干擾作用,如果儀表接地不當可能會引起漏電或重量數字跳動。還應定期去檢查接地點是否良好,因為經過較長時間后,各接地點會產生氧化、銹蝕等情況。
電源供電為AC85~265V時,請按如下方式接地:

電源供電為DC18~36V時,請按如下方式接電源線:

采用AC220V供電的儀表,在進儀表之前,要加裝電源濾波器,如果前端有大功率的變頻器,進儀表前,要加裝電源凈化器,否則,儀表可能無法正常工作。采用DC18~36V供電的儀表,前端開關電源的容量要足夠,否則可能會出現儀表無法啟動或有時無法啟動的現象。
儀表不應和能產生強烈干擾的設備(如可控制硅、接觸器、變頻器等)及有可觀熱量產生的設備放在同一箱體中,若不能保證這一點,則應考慮在它們之間設置障板隔離,并在箱體內安置風扇 ●不要將儀表的激勵電源給其它設備供電,否則可能導致儀表顯示值跳動或稱量值不準甚至燒壞儀表。
使用儀表開關量輸入時,本公司儀表要求的輸入類型為無電壓觸點輸入或NPN型三極管輸入,如果輸入是PLC給出的,PLC類型為繼電器型或共地型。輸入接口與外部設備的連接電纜距離不要超過5米,建議不要靠近交流電源與動力線,以免引起誤運作。
使用儀表開關量輸出時,本公司儀表輸出觸點為NPN型三極管輸出,驅動能力可達300mA,外接電壓為DC12~48V,如果輸出是驅動中間繼電器的,就要注意儀表的驅動能力(超過儀表的驅動能力可能會燒壞儀表輸出或減少輸出點的壽命)和并聯反向二極管的方向(1N4007,接反會燒壞儀表)。如果輸出是驅動PLC觸點時,PLC輸入觸點類型要求為共源型。

●儀表使用RS232通訊時,應注意:
※ 通訊電纜要使用屏蔽線(將屏蔽層接地),長度不得超過15米。
※ 通訊電纜端子要接牢,不可有任何松動,否則,可能會燒壞儀表或上位機的通訊板。
※ 不可帶電拔插通訊端子,否則,可能會燒壞儀表或上位機的通訊板。
●儀表使用RS485通訊時,應注意:
※ 一般RS485協議的接頭沒有固定的標準,可能根據廠家的不同引腳順序和管腳功能可能不盡相同,用戶可以查閱相關產品RS485的引腳圖。
※ 每臺儀表要手牽手地串下去,不可以有星型連接或者分叉,如果有星型連接或者分叉,干擾將非常大,會造成通訊不暢,甚至通訊不上。

※ 通訊電纜應選用屏蔽雙絞線(將屏蔽層接地),其次為雙絞線,不要使用普通的電纜,如果使用普通電纜,干擾將非常大,會造成通訊不暢,甚至通訊不上。通訊電纜的長度不得超過500米。
※ 請接入終端電阻,以增強系統的抗干擾性,終端電阻的阻值是330歐,功率1/2W。
※ 通訊電纜端子要接牢,不可有任何松動,否則,可能會燒壞儀表或上位機的通訊板。
※ 不可帶電拔插通訊端子,否則,可能會燒壞儀表或上位機的通訊板。
直接下載: ST550TPD基本型說明書

